tarcza hamulcowa  TRUSTING  DF246

ZIELONA GÓRA 0

GŁOGÓW 0

ELEKTRYCZNA 0

Sława 0

ŻAGAŃ 0


MPN: DF246
Indeks: DF246/T
Producent: TRUSTING
Opis: tarcza hamulcowa
Oznaczenie kontrolne ECE-R90
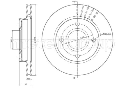
Wysokość [mm] 42,9
Typ tarczy hamulcowej wentylowany
Grubość tarczy hamulcowej [mm] 20,0
średnica zewnętrzna [mm] 239,7
Liczba otworów 4
Średnica otworu centrującego [mm] 63,6
Kod EAN: 8032747182826
A.B.S.: 15981, 15981S
APEC: DSK208
ASHIKA: 60-03-363
ATE: 24.0120-0147.1, 24.0320-0147.1, 420147, 520147
BARUM: BAR20147
BENDIX: 521914, 561513BC
BLUE PRINT: ADM54365
BOSCH: 0 986 478 502
BRADI: 1.1729.2.4, 1.1729.2.5
BRAKE ENGINEERING: DI955024
BRECO: BS8192, BS8277
BREMBO: 09.5202.10, 09.6727.10, 09.6727.30, 09.6727.34
CAR: 142266
CIFAM: 800-169
DELPHI: BG2440, BG2440C
FEBI BILSTEIN: 05649
FERODO: DDF766, DDF766C, DDF887
FREMAX: BD-1064
FRI.TECH.: BD0246
FTE: BS3227, BS3727, BS3727B
GALFER: 24105VF
GUTTMANN: 5015026651
HELLA: 355102231
ICER: 78BD1064-2
INTERBRAKE: FR111V, HFR111V
JAPANPARTS: DI-363, DI-363C
JAPKO: 60363
JURID: 521914, 561513JC
KNECHT: KTV075
LPR: F1111V, F1111VR
MAGNETI MARELLI: 353611729240, 360406025200, 431602040620
MAPCO: 15732, 15732/2
METELLI: 23-0169
MEYLE: 7155217017, 7835217017/PD
MGA: 105D969
MINTEX: MDC579, MDC579C
NATIONAL: NBD013
NIPPARTS: J3303067
NK: 202528, 312528
OPEN PARTS: BDA1176.20, BDR1176.20, BDRS1176.25
OPTIMAL: BS-0960C
PAGID: 51023, 51023NC
PILENGA: V075
QH BENELUX: 57332
QUINTON HAZELL: BDC3227, BDC3727
REMSA: BDM6176.20, DF6096.10, DF6176.20
ROADHOUSE: 6096.10
ROULUNDS RUBBER: D2046
SASIC: 9004401J
SBS: 1815202528, 1815312528
SKF: VKBD80073V2
SWAG: 99905649
TEXTAR: 92051000, 98200051001
TOPRAN: 301908
TRW: DF2753
VALEO: 186163, 673032
VEMA: 98014, 98257
VILLAR: 6280317, 6281915
WOKING: D6096.10
ZIMMERMANN: 250132800, 250132820
FORD: COURIER pick-up, ESCORT CLASSIC (AAL, ABL), ESCORT CLASSIC Turnier (ANL), ESCORT V (AAL, ABL), ESCORT V Express (AVF), ESCORT V kabriolet (ALL, BJ2), ESCORT V sedan (AFL), ESCORT V Turnier (ANL), ESCORT VI (GAL, AAL, ABL), ESCORT VI Furgon/kombi (AVL), ESCORT VI kabriolet (ALL), ESCORT VI sedan (GAL, AFL), ESCORT VI Turnier (GAL, ANL), FIESTA Furgon/hatchback (FVD), FIESTA Furgon/hatchback (JV_), FIESTA Furgon/minivan (F3L, F5L), FIESTA Furgon/minivan (J5_, J3_), FIESTA III (GFJ), FIESTA IV (JA_, JB_), KA (RB_), KA Van (RB), ORION III (GAL), PUMA (EC_)
MAZDA: 121 III (JASM, JBSM)
imoje

Wszystkie nazwy handlowe, nazwy produktów, nazwy firm i ich loga użyte na naszych stronach należą do ich właścicieli i są używane wyłącznie w celach identyfikacyjnych. Mogą być one zastrzeżonymi znakami towarowymi. Wszystkie materiały, opisy i zdjęcia prezentowane na naszych stronach użyte są w celach informacyjnych

tecdoc &API SEO | Wdrożenie: TOMJOHN   Projekt: NIKO ©2019 dataWeb ver. 1.0.86 |
Dodano do koszyka
Zadaj pytanie on-line